Naslovnica
Cjenik
Novosti
O nama
Kontakt
Moja narudžba
Pretraži web
Napredna pretraga
Dizajn i izrada namještaja po mjeri
Pločasti materijali
Radne ploče
Okovi za namještaj
Ručkice i vješalice
Spojni okov
Vijci
Korpus spojevi
Spajanje radnih ploča
Spajanje vijcima
Drvene spojnice
Kutnici
Kutni
Spoj vijcima
Univerzalni
Ravni
Za krevete
Nosači polica
Konzole
Spojnice za namještaj
Vodilice ladica
Podizni sustavi
Sistemi za zaključavanje
Oprema za kuhinje
Oprema za ormare
Klizna vrata
Kotačići za namještaj
Noge za namještaj
Aluminijski program
Kozmetika za drvo
Usluga piljenja iverala
Usluga kantiranja iverala
Krivolinijsko CNC rezanje i kantiranje iverala
Usluga bušenja, tiplanja iverala
Projektiranje namještaja i interijera
Spoj vijcima
artikl
opis artikla
JC
Cijena
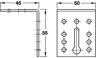
55812943
Kutnik spojni niklani 55x45x50 mm
kom